
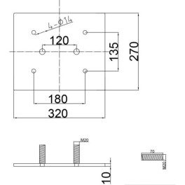
Fixing plate for protective bumper RB500TPU
Steel mounting plate, used to secure a dock bumper for protecting dock levelers. Made of steel. Compatible with reference RB300. Wall fasteners are not included.
Références spécifiques