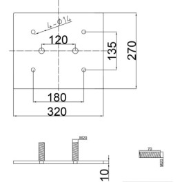
Mounting plate used to secure a dock bumper for protecting dock levelers. Made of steel. Compatible with reference RB300. The dock bumper is fixed with 2 M20 nuts not supplied.
Références spécifiques
EAN
3321369962851
0
Your review appreciation cannot be sent
Report comment
Are you sure that you want to report this comment?
Report sent
Your report has been submitted and will be considered by a moderator.
Your report cannot be sent
Write your review
Review sent
Your comment has been submitted and will be available once approved by a moderator.